Address
1903 US 49 Florence, MS 39073
Business Hours
Mon - Thu
9 a.m. - 4 p.m.
Friday
9 a.m. - 11 a.m. & 12:30 p.m. - 4 p.m.
Saturday-Sunday
closed

3D Cycle Parts started with a mission to make products that fix common problems on the KLR650. Our solutions have brought new life to many broken parts, made repairs more affordable, and improved durability in the process. Over the last few years we have added over 75 brands to our shop and we are in the process of expanding our selection to include riding gear, tires, and parts for other Adventure bikes! Based in Jackson, Mississippi, USA, we offer shipping across the U.S. and to more than 90 countries around the globe. All products are in stock and ship daily unless the product page states otherwise. Thanks for visiting!
OIL SCREEN CLEANING
This Oil Screen Cleaning procedure is initially based on the procedure done by MarkB. This procedure specifies only the steps needed to accomplish the screen cleaning.
Using care, I did NOT need to replace either cover gasket. The seals aren't messed with when simply doing an oil screen cleaning, so shouldl be fine. If the seals are leaking, the information on how to deal with that problem can be found in the water pump seals procedure.
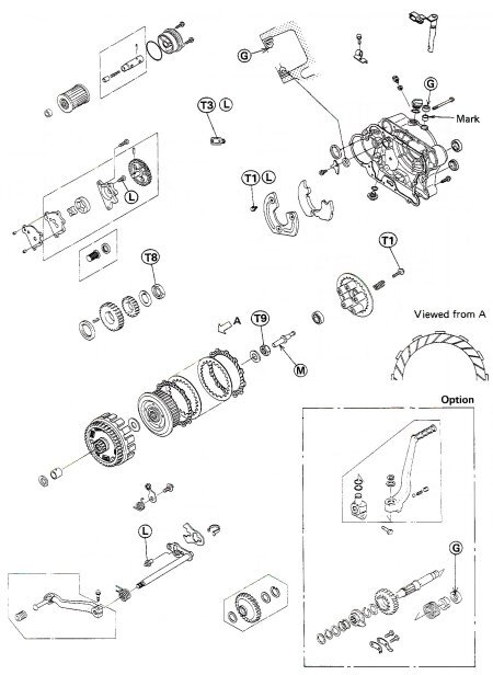
The above scans show the engine right side and water pump area. This is a very straightforward job, but it's probably a good idea to have this parts breakdown available just in case...
The water pump housing is indicated above by the red arrow. You'll need to remove whatever skid plate - stock or aftermarket - that you have installed:
1. Start the bike, and let it run for a few minutes to warm the oil and coolant.
2. Drain the engine oil, and remove the oil filter
3. By now, the coolant should be at a manageable temperature. As shown above, drain the coolant by opening the radiator cap, and removing the small drain bolt at the bottom of the water pump housing.
Loosen the two hose clamps at the water pump, and pull them off one at a time - keeping a container available to catch the old coolant.
As long as you've drained most of the coolant anyway, I'd suggest that you remove one or both of the hoses at the coolant bottle and drain that, too.
Inspect your hoses to see if they should be replaced. Stock Kawasaki hoses are expensive, but you can get a Goodyear #63936 heater hose, and cut it to the correct sizes.
Coolant is very toxic, and should be handled and disposed of properly. Animals and possibly childrenwill find the taste appealing - with disastrous results in either case.
4. The pictures above show that the footpeg and brake lever need to be removed to gain the necessary clearance for the side cover to come off.
- Remove the footpeg bolts
- Remove the brake lever bolt and pin. The bolt is indicated in the top picture with a white arrow, and the pin by a yellow arrow in the bottom picture.
- Remove the spring from the brake lever, indicated by the red arrow in the bottom picture.
5. Remove the clutch cable where it meets the actuator. I found that all I had to do was use a boxend 10mm wrench to remove the bolt holding the cable clamp, (just before the actuator), and I could then slip the cable end out of the actuator without disturbing the clutch cable adjustment.
6. As shown above, remove the water pump housing. The bolt on the upper right, at the outlet marked "To Cyl" is the longer of the 3 bolts used here.
The housing should come off pretty easily. It's a good idea to leave the bolts in, backing them out 3/4 threads, to help ensure that they don't come off at an angle and trash the gasket. DON'T pry at it if you have trouble. Instead, try tapping around its perimeter as much as possible with a rubber mallet. Then just try gently rocking it off.
The picture above shows that, except for the impeller, the cover is about ready to come off. I tied the two heater hoses and clutch cable back to be sure they stayed out of the way. Also, the brake light spring is tucked safely out of the way. The coolant bottle is hanging too because I wanted to have completely fresh coolant in the system. I'm using Rotella 50/50 premix.
7. The two pictures above show that the impeller is next to be taken off. Brute force is not necessary here, and would be one of the very bad places to employ it. You don't want to break that shaft.
The impeller bolt is installed using 9.8n-m / 87in-lbs / 7.25ft-lbs. That's not much, but IS enough to spin the shaft when trying to remove the nut. I used a very heavy duty screwdriver blade in the oil fill hole to catch a meaty "tab" of the clutch basket. I used this method to remove and install the bolt, and it worked quite well.
On this side of the impeller, you'll have a washer and nut. Note that the gasket is in good shape.
With the nut and washer off, slowly rotate the impeller counterclockwise as you gently pull back on it, as shown above. What you're doing is working it off the rubber seal inside.
The BLUE circle in the picture above is showing the nut and washer found on the outside of the impeller. The RED circle is showing the small washer, or shim, that was behind the impeller. I thought mine was not installed until I noticed that it had come off with the impeller, and was stuck to it.
8. As shown above, it's now time to remove the side cover. There are 15 bolts, the single longer one is to the left, or rear, of the oil filter cover. Remove all the bolts and set them aside.
Now, with all the bolts removed, tap around the cover with a rubber mallet. You're going to have to work at this a bit, it didn't come off as easily as I thought it would. I finally got some response when I put a finger into the oil fill hole, and rocked back and forth. Once the cover begins to come loose, try to work it evenly here and there to protect the gasket from damage.
Once the cover is ready to come off, it will slide right over the impeller shaft. Don't mess with the seal there, it doesn't need any attention unless you're fixing a leak. And if you ARE, you need to reference the Water Pump Seals procedure.
9. Once the cover is off, you'll find the oil screen in the large hole about in the center of the above picture, to the left of the larger gear. Check there, and the other passages to be sure that they're free of debris. I would expect that you will not find anything in there if your oil screen is intact.
The above two pictures show the junk that I found in mine. Oil was certainly still flowing, but I was glad to get that stuff out of there. What I found was rubber spaghetti, and two small chunks of harder black rubber.
That's about it. Clean the excess oil from the mating surfaces of the cover and engine.
Clean the oil screen and put it back into place in the hole, as shown in previous pictures. The screen goes INTO the engine, with the rubber end closest to you.
Installation is pretty much the reverse of removal. The case screws can be stripped and/or broken - a good torque wrench is our friend. I like a little grease on the bolt ends, and use 8.1n-m / 6 ft-lbs / 72in-lbs to install these bolts, and the water pump housing bolts.
Once the case is reinstalled, you can reinstall the impeller, making sure that all washers are where they should be. Gently work the impeller over the shaft, as was done for the removal.
NOTE: watch the position of the clutch actuator shaft as you reinstall the case. You may have to lift or slightly twist it back and forth in order for the cover to seat correctly. The swivelling head of the actuator should be pointing more or less straight toward the left side of the bike.
If you find it's necessary - as I did - use a heavy screwdriver in the oil fill hole to keep the shaft from spinning, and install the impeller nut at 9.8n-m / 87in-lbs / 7.25ft-lbs.
Reinstall the clutch cable, brake lever and footpeg. Make sure to reconnect the brake light spring. There is a notch on the brake lever, and a dot on the brake lever shaft, (or vice-versa.) Line them up, and you're all set.
Reinstall the hoses, coolant and oil drain bolts, and refill with the appropriate fluids. I choose Rotella 50/50 coolant, and Spectro Golden oil . Your mileage may vary.
I was extremely satisfied with the high quality products and services you provided. Each item was precisely what I expected. When I had questions, they were answered quickly and thoroughly. 3D Cycle parts is the kind of company that reminds me of a time when the customer mattered and the company went out of their way to earn their business. I have and will continue to recommend 3D Cycle Parts to others in the ADV and motorcycle community based on this experience.
Tu Combs
Owner
3D Cycle Parts started with a mission to make products that fix common problems on the KLR650. Our solutions have brought new life to many broken parts, made repairs more affordable, and improved durability in the process. Over the last few years we have added over 75 brands to our shop and we are in the process of expanding our selection to include riding gear, tires, and parts for other Adventure bikes! We are located in Jackson, Mississippi, USA and we ship anywhere within the USA. All products are in stock and ship daily unless the product page states otherwise. Thanks for visiting!
Business Hours
Mon - Thu
9 a.m. - 4 p.m.
Friday
9 a.m. - 11 a.m. & 12:30 p.m. - 4 p.m.
Saturday-Sunday
closed